Rozsvíceny obě žárovky při dálkovém světle tenere
Rozsvíceny obě žárovky při dálkovém světle tenere
nevíte jestli jde nějak u tenere nastavit, aby když přepnu na dálkový, tak aby svítilo jak dálkový světlo tak klasicka potkavacka ?Když jedu večer tak je to celkem nepřijemný jet na dalkový páč nevidím přímo před sebe a světlo nesvítí tak do stran jak u obyč.
Online
Přejít na web motopripravky.cz
- Radek
- Administrátor
- Příspěvky: 2622
- Registrován: pát 14. bře 2008 17:58:00
- Napiš "660" bez uvozovek: 505
- Bydliště: Teplice
- Kontaktovat uživatele:
Sdělení od administrátora
Zdar,
vím, že to je trochu mimo téma, ale hosting je třeba z něčeho platit
. Rád bych vám představil web motopripravky.cz, kde najdete naše moto nářadí vlastní výroby. Vyrábíme např. vyvažovačky kol, zouvačky, narážeče gufer předních vidlic (XT660 má rozměr 43 mm), klíče na zadní tlumiče a spoustu dalšího.
Návštěvníci fóra XT660 mohou použít slevový kód 54115079 na 5 % z ceny dolů.
vím, že to je trochu mimo téma, ale hosting je třeba z něčeho platit
Návštěvníci fóra XT660 mohou použít slevový kód 54115079 na 5 % z ceny dolů.
Přejít na web motopripravky.cz
Re: Rozsvíceny obě žárovky při dálkovém světle tenere
Mno...zadna finta tam asi vymyslet nepujde, budes holt muset pridat dalsi vypinac na riditka, pokud na tomhle napadu trvas.Bender píše:nevíte jestli jde nějak u tenere nastavit, aby když přepnu na dálkový, tak aby svítilo jak dálkový světlo tak klasicka potkavacka ?Když jedu večer tak je to celkem nepřijemný jet na dalkový páč nevidím přímo před sebe a světlo nesvítí tak do stran jak u obyč.
Re: Rozsvíceny obě žárovky při dálkovém světle tenere
skoda, u fazera to jde vytahnutim nejakeho dratku u RJ tak sem myslel ze to pujde i u tenere , zkusim se jeste optat v yamaze ale tam pochybuju ze mi to reknou
Re: Rozsvíceny obě žárovky při dálkovém světle tenere
Bender->To by asi nebylo moc zdravé. Dvouvláknová žárovka Ti nevydrží, když Ti budou dlouhodobě svítit obě vlákna navíc. To si raději pořiď nějaké přídavné světlo.
- Ninjaman
- Příspěvky: 135
- Registrován: sob 02. kvě 2009 21:59:56
- Bydliště: Rokycany
- Kontaktovat uživatele:
Re: Rozsvíceny obě žárovky při dálkovém světle tenere
Ta parabola není určitě stavěná na žár od obou vláken najednou. Aby ti pak v létě nezačala odkapávat 
Lepší ztratit v životě minutu, než v minutě život!
Re: Rozsvíceny obě žárovky při dálkovém světle tenere
ono to ma dve zarovky , pro potkavaci a dalkovy zvlast,myslim ze jsou dost daleko od sebe aby na to aby vytvorili teplotu ktera by to roztavila
Re: Rozsvíceny obě žárovky při dálkovém světle tenere
Aha, jsem myslel, že to má H4 jako ostatní. Tak to by možná šlo. Ještě by stálo za to zvážit, jestli to zvládne alternátor trvale. Nevím jaké jsou tam rezervy a potom třeba ve spojení s vyhřívačkama..?
Re: Rozsvíceny obě žárovky při dálkovém světle tenere
Pohrávám si s myšlenkou toto vyzkoušet, tak vytahuji tohle vlákno. Třeba to od toho roku 2008 již někdo vymyslel ... Tedy :
a) Našel prosím někdo nějaký jednoduchý "chvat" jak docílit trvalého svícení obou žárovek v obou parabolách při přepnutí na dálková světla ?
b) Předpokládám, že el.soustava by mohla mít standardně rezervu na zátěž minimálně dalších 55 W (tak nějak jsem to v uživatelské příručce nenašel), nevím však, co nevím ...
Ale když TT nabízí dvě přídavné mlhovky á 55 W a je to "echt dojč" "TUV" certifikované - asi ano. Také vycházím z předpokladu, že za jízdy nebude problémem ani množství tepla od dvou žárovek. Možná je ale úzké místo někde jinde a pro můj pocit bezpečí a jistoty nezbyde než zakoupit nějaké přídavné 10 W LED. A nebo se na to vyprdnout a nevrtat do toho ať něco nedo....
Má to někdo vyzkoušené ?
c) Má někdo ochotný schéma zapojení pro Tenere r.v. 2010 ? (to také nemám v příručce ...)
Dík
RadekK
a) Našel prosím někdo nějaký jednoduchý "chvat" jak docílit trvalého svícení obou žárovek v obou parabolách při přepnutí na dálková světla ?
b) Předpokládám, že el.soustava by mohla mít standardně rezervu na zátěž minimálně dalších 55 W (tak nějak jsem to v uživatelské příručce nenašel), nevím však, co nevím ...
Ale když TT nabízí dvě přídavné mlhovky á 55 W a je to "echt dojč" "TUV" certifikované - asi ano. Také vycházím z předpokladu, že za jízdy nebude problémem ani množství tepla od dvou žárovek. Možná je ale úzké místo někde jinde a pro můj pocit bezpečí a jistoty nezbyde než zakoupit nějaké přídavné 10 W LED. A nebo se na to vyprdnout a nevrtat do toho ať něco nedo....
Má to někdo vyzkoušené ?
c) Má někdo ochotný schéma zapojení pro Tenere r.v. 2010 ? (to také nemám v příručce ...)
Dík
RadekK
Re: Rozsvíceny obě žárovky při dálkovém světle tenere
http://www.motorkari.cz/moto-manualy-mo ... 0z-tenere/
Tady najdeš manuály a tech. příručky, myslím že jsem tam někde zahlídnul i schema zapojení elektřiky.

A nebo http://www.xt660.cz/ke-stazeni/
Tady najdeš manuály a tech. příručky, myslím že jsem tam někde zahlídnul i schema zapojení elektřiky.
A nebo http://www.xt660.cz/ke-stazeni/
Re: Rozsvíceny obě žárovky při dálkovém světle tenere
radas píše:http://www.motorkari.cz/moto-manualy-mo ... 0z-tenere/
Tady najdeš manuály a tech. příručky, myslím že jsem tam někde zahlídnul i schema zapojení elektřiky.
A nebo http://www.xt660.cz/ke-stazeni/
Díky moc, jakési schema tam je - zkusím se na to podívat.
Ještě aby se našel někdo, kdo umí ten trik na obě žárovky a má s tím zkušenost.
Radekk
Re: Rozsvíceny obě žárovky při dálkovém světle tenere
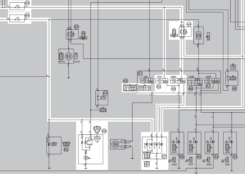
Tak jsem se přesvědčil, že jednoduše (vytažení pojistky, přerušením káblíku, zaříkáváním, atd.), dosáhnout současného svícení obou žárovek 55W v hlavním světlometu asi, tedy nejspíše, nejde.
Kdo však opravdu chce, aby při přepnutí na dálkovou H7 zůstala svítit i "tlumená" - jde to.
Je však nezbytný malý zásah, například překlenutí kontaktů přepínače hlavních světel v hlavním levém ovladači světel na řídítkách (tento způsob mě přijde nejjednodušší). Na výřezu ze schematu je vidět, že napětí (alternátor i AKU je propojen) pro napájení hlavního světlometu prochází přes pojistku (65) na vstup spínacího relé (44, sepne až po napětí z alternátoru, rozepne po vypnutí klíčku) a odtud je přiváděno na přepínač hlavních světel (49, HIGH/LOW) v hlavním ovladači světel (52, na levé straně řidítek). Z přepínače se napětí dostane na žárovku H7 v "potkávací, tlumené" parabole sdružených světel (57, levá žárovka 12V 55W) nebo na žárovku H7 v "dálkovém" reflektoru (57, pravá žárovka 12W 55W) a taky odbočkou k ŘJ pro aktivaci "modré" signalizace "dálkových". Na obrázku s rozebranými ovladači je vidět přepínač hlavních světel (vlevo, vodiče barvy žl.,mo.,ze.), tlačítko světelné houkačky (nahoře, žl/b. a če/ž. vodič) a spínač varovné signalizace (vpravo, svmo.,hn.,svze. vodič). Ostatní prvky (přepínač blinkrů a houkačka) jsou nerozebrány ve spodní části ovladače.
Abych tedy dosáhl kýženého efektu, bylo v mém případě (XT660Z, DM02/E, r.v.2010) nezbytné propojit kontakty přepínače světel (v pohledu na fotografii): střední s modrým vodičem (na který je přiváděno napětí) s pravým se zeleným vodičem (přívod pro "potkávací" H7). Tak je dosaženo toho, že žárovka potkávaček je napájena neustále a tedy svítí furt bez ohledu na polohu přepínače. Na závěr musím říci :
A) Funguje to na mé Tenere, vyzkoušeno na mé Tenere, nejspíše to bude stejné (barvy kabelů, průměry vodičů a tak) i na ostatních Tenere r.v. 2008-2012 (ale přesvěčte se).
B) Elektro instalace na mé XT to snese bez problémů - mluvím o zatížení alternátoru, proudovém zatížení vodičů. Celkově je na mé 660Z (nová, bez nadstandardních doplňků) rezerva na připojení cca 100 až 130 W (to je však při současném sepnutí všeho tak nějak na maximu alternátoru a na dobíjení AKU toho pak moc nezbývá, ale kdy se jezdí s trvalým svícením, bržděním, topením a blikáním že), tedy 55W navíc je naprosto v pohodě, i vyhřívané rukojeti okolo 35W se v klidu vlezou.
C) Tento zásah do elektroinstalace motorky asi určitě nebude pozitivně hodnocen v servisu (pojišťovně) v případě jakého-koli problému, uplatnění záruky, ...
D) Pokud bude třeba sdělit cosi dalšího, tak příště. Dnes jsem to psal snad na desetkrát, furt se mě to mazalo...
Hoj
RadekK
Kdo však opravdu chce, aby při přepnutí na dálkovou H7 zůstala svítit i "tlumená" - jde to.
Je však nezbytný malý zásah, například překlenutí kontaktů přepínače hlavních světel v hlavním levém ovladači světel na řídítkách (tento způsob mě přijde nejjednodušší). Na výřezu ze schematu je vidět, že napětí (alternátor i AKU je propojen) pro napájení hlavního světlometu prochází přes pojistku (65) na vstup spínacího relé (44, sepne až po napětí z alternátoru, rozepne po vypnutí klíčku) a odtud je přiváděno na přepínač hlavních světel (49, HIGH/LOW) v hlavním ovladači světel (52, na levé straně řidítek). Z přepínače se napětí dostane na žárovku H7 v "potkávací, tlumené" parabole sdružených světel (57, levá žárovka 12V 55W) nebo na žárovku H7 v "dálkovém" reflektoru (57, pravá žárovka 12W 55W) a taky odbočkou k ŘJ pro aktivaci "modré" signalizace "dálkových". Na obrázku s rozebranými ovladači je vidět přepínač hlavních světel (vlevo, vodiče barvy žl.,mo.,ze.), tlačítko světelné houkačky (nahoře, žl/b. a če/ž. vodič) a spínač varovné signalizace (vpravo, svmo.,hn.,svze. vodič). Ostatní prvky (přepínač blinkrů a houkačka) jsou nerozebrány ve spodní části ovladače.
Abych tedy dosáhl kýženého efektu, bylo v mém případě (XT660Z, DM02/E, r.v.2010) nezbytné propojit kontakty přepínače světel (v pohledu na fotografii): střední s modrým vodičem (na který je přiváděno napětí) s pravým se zeleným vodičem (přívod pro "potkávací" H7). Tak je dosaženo toho, že žárovka potkávaček je napájena neustále a tedy svítí furt bez ohledu na polohu přepínače. Na závěr musím říci :
A) Funguje to na mé Tenere, vyzkoušeno na mé Tenere, nejspíše to bude stejné (barvy kabelů, průměry vodičů a tak) i na ostatních Tenere r.v. 2008-2012 (ale přesvěčte se).
B) Elektro instalace na mé XT to snese bez problémů - mluvím o zatížení alternátoru, proudovém zatížení vodičů. Celkově je na mé 660Z (nová, bez nadstandardních doplňků) rezerva na připojení cca 100 až 130 W (to je však při současném sepnutí všeho tak nějak na maximu alternátoru a na dobíjení AKU toho pak moc nezbývá, ale kdy se jezdí s trvalým svícením, bržděním, topením a blikáním že), tedy 55W navíc je naprosto v pohodě, i vyhřívané rukojeti okolo 35W se v klidu vlezou.
C) Tento zásah do elektroinstalace motorky asi určitě nebude pozitivně hodnocen v servisu (pojišťovně) v případě jakého-koli problému, uplatnění záruky, ...
D) Pokud bude třeba sdělit cosi dalšího, tak příště. Dnes jsem to psal snad na desetkrát, furt se mě to mazalo...
Hoj
RadekK
Naposledy upravil(a) RadekK dne úte 06. bře 2012 11:10:17, celkem upraveno 2 x.
Re: Rozsvíceny obě žárovky při dálkovém světle tenere
šikovnej kluk....ja to takhle budu mít taky...hned v pondelí to jdu preletovat....díky za informaci 
Re: Rozsvíceny obě žárovky při dálkovém světle tenere
Nazdar, našiel som aj ďalší návod, je to v angličtine, tak ak to niekoho zaujíma. Je to však pracnenejšie ako v návode od RadekK-a.
Pôvodné znenie z advrider.com
xxxxxxxxxxxxxxň
High Beam Mod
Found this on XT660.com, can confirm it works to keep the low beam on when the high beam is selected. The two wires to connect are the Blue with Black stripe, and the Light Green wires on our Aussie Teneres. They are a bit thicker than the others so easy to spot.
-Remove the seat and fuel tank. Be careful removing the tank - particularly the fuel line connector to the fuel pump on the base of the tank. Don't put any strain on the fuel line as the white plastic outlet from the tank doesn't look like it will take much abuse (You have been warned!!!)
-Locate the wiring loom bundle coming from the headlight switch on the handlebars.
-Follow this bundle to its first connector / plug under the tank. It is cable tied to the frame and covered in a flexible rubber boot just behind the top of the radiator on the right hand side.
-Snip the cable tie, and pull back the rubber boot to expose the connector.
-Undo the connector (not essential, but helps identify the wiring).
-Refer to the workshop manual wiring diagram on page 8-15.
-Identify the wires in both sides of the connector blocks... (note the wiring diagram is a little confusing but simple nonetheless). On the wiring diagram, #51 (the connector block) the wires leading to the connector are labelled Br, RL, LW, BrW, G, Ch, Lg, Y and P. This relates to the collours of the wires on the female side (engine side) of the connector block. The corresponding colours of the wires on the male side (handlebar side) of the connecting block are Br, RW, LB, BrW, Dg, Ch, G, Y and P.
-Identify the LB (Light Blue) and G (Green) wires coming out of the male side of the connector block and gently adjust the lay of the wires so that they can run side by side about 2cm from the connector block.
-Use a "Scotchlock" type connector to connect the two wires together side by side about 2cm from the male side of the connector.
-Reconnect the the connector block, recover with the rubber boot and relocate and cable tie the loom back in position to the frame.
-Replace the fuel tank and connections (two electrical plugs, the fuel feed line, and the filler overflow pipe)
-Replace seat, test ride and enjoy the light!!!
The reversal of the modifcation is simply the removal of the Scotchlock connector and taping over the small breaks in each wires' insulation with electrical tape and you are all back to factory.
As mentioned earlier in this thread, the lighting relay (#44) now carries the full current for both high and low beam together (when high beam activated) and thus the current for both 55W bulbs are going through. As Jenny mentioned she ran a single 100W bulb for many miles in the US and the relay coped well. I would advise however not to do this mod and use 100W bulbs as well - then the current is significantly increased and the relay may have a hard day.
xxxxxxxxxxxxx
Pôvodné znenie z advrider.com
xxxxxxxxxxxxxxň
High Beam Mod
Found this on XT660.com, can confirm it works to keep the low beam on when the high beam is selected. The two wires to connect are the Blue with Black stripe, and the Light Green wires on our Aussie Teneres. They are a bit thicker than the others so easy to spot.
-Remove the seat and fuel tank. Be careful removing the tank - particularly the fuel line connector to the fuel pump on the base of the tank. Don't put any strain on the fuel line as the white plastic outlet from the tank doesn't look like it will take much abuse (You have been warned!!!)
-Locate the wiring loom bundle coming from the headlight switch on the handlebars.
-Follow this bundle to its first connector / plug under the tank. It is cable tied to the frame and covered in a flexible rubber boot just behind the top of the radiator on the right hand side.
-Snip the cable tie, and pull back the rubber boot to expose the connector.
-Undo the connector (not essential, but helps identify the wiring).
-Refer to the workshop manual wiring diagram on page 8-15.
-Identify the wires in both sides of the connector blocks... (note the wiring diagram is a little confusing but simple nonetheless). On the wiring diagram, #51 (the connector block) the wires leading to the connector are labelled Br, RL, LW, BrW, G, Ch, Lg, Y and P. This relates to the collours of the wires on the female side (engine side) of the connector block. The corresponding colours of the wires on the male side (handlebar side) of the connecting block are Br, RW, LB, BrW, Dg, Ch, G, Y and P.
-Identify the LB (Light Blue) and G (Green) wires coming out of the male side of the connector block and gently adjust the lay of the wires so that they can run side by side about 2cm from the connector block.
-Use a "Scotchlock" type connector to connect the two wires together side by side about 2cm from the male side of the connector.
-Reconnect the the connector block, recover with the rubber boot and relocate and cable tie the loom back in position to the frame.
-Replace the fuel tank and connections (two electrical plugs, the fuel feed line, and the filler overflow pipe)
-Replace seat, test ride and enjoy the light!!!
The reversal of the modifcation is simply the removal of the Scotchlock connector and taping over the small breaks in each wires' insulation with electrical tape and you are all back to factory.
As mentioned earlier in this thread, the lighting relay (#44) now carries the full current for both high and low beam together (when high beam activated) and thus the current for both 55W bulbs are going through. As Jenny mentioned she ran a single 100W bulb for many miles in the US and the relay coped well. I would advise however not to do this mod and use 100W bulbs as well - then the current is significantly increased and the relay may have a hard day.
xxxxxxxxxxxxx
Život je len jeden ....
Re: Rozsvíceny obě žárovky při dálkovém světle tenere
Souhlas, jak je uvedeno v příspěvku od MaxoT660.
Také bych ani náhodou nedoporučoval užití žárovek 100 W (ani jedné) v případě realizace výše uvedené úpravy.
Jinak v tomto článku, pokud jsem četl správně a nepletu se, je efektu svícení obou parabol dosaženo prakticky elektricky stejným způsobem, jen je ta "klema" realizována na konektoru pod nádrží.To je výhodné, neboť nedojde k malému snížení napájecího napětí vlivem zvýšeného úbytku na cca 1 m trase přívodního, 1,5 mm pr., modrého vodiče. Při zkoušce to však subjektivně nemělo na "svítivost" paraboly s "potkávací" H7 žádný vliv. Měřením na přepínači jsem zjistil pokles o cca 0,3 V, ale to je dle mého soudu způsobeno především celkově vyšším zatížením, odběrem proudu, ze společného zdroje.
Toto řešení je na druhou stranu nevýhodné, neboť se toho musí více rozdělávat ...
RadekK
Také bych ani náhodou nedoporučoval užití žárovek 100 W (ani jedné) v případě realizace výše uvedené úpravy.
Jinak v tomto článku, pokud jsem četl správně a nepletu se, je efektu svícení obou parabol dosaženo prakticky elektricky stejným způsobem, jen je ta "klema" realizována na konektoru pod nádrží.To je výhodné, neboť nedojde k malému snížení napájecího napětí vlivem zvýšeného úbytku na cca 1 m trase přívodního, 1,5 mm pr., modrého vodiče. Při zkoušce to však subjektivně nemělo na "svítivost" paraboly s "potkávací" H7 žádný vliv. Měřením na přepínači jsem zjistil pokles o cca 0,3 V, ale to je dle mého soudu způsobeno především celkově vyšším zatížením, odběrem proudu, ze společného zdroje.
Toto řešení je na druhou stranu nevýhodné, neboť se toho musí více rozdělávat ...
RadekK
Naposledy upravil(a) RadekK dne úte 06. bře 2012 19:00:06, celkem upraveno 1 x.
Re: Rozsvíceny obě žárovky při dálkovém světle tenere
RadekK napsal:
Abych tedy dosáhl kýženého efektu, bylo v mém případě (XT660Z, DM02/E, r.v.2010) nezbytné propojit kontakty přepínače světel (v pohledu na fotografii): střední s modrým vodičem (na který je přiváděno napětí) s pravým se zeleným vodičem (přívod pro "potkávací" H7). Tak je dosaženo toho, že žárovka potkávaček je napájena neustále a tedy svítí furt bez ohledu na polohu přepínače.
Je super, že jsi to vyřešil, ...taky nad tím uvažuju. Hlavně pro jízdu v noci bych to "vylepšil" přidáním jednoduchého vypínače (on x off) mezi modrým a zeleným vodičem, tím by v poloze off vše fungovalo předpisově.
Abych tedy dosáhl kýženého efektu, bylo v mém případě (XT660Z, DM02/E, r.v.2010) nezbytné propojit kontakty přepínače světel (v pohledu na fotografii): střední s modrým vodičem (na který je přiváděno napětí) s pravým se zeleným vodičem (přívod pro "potkávací" H7). Tak je dosaženo toho, že žárovka potkávaček je napájena neustále a tedy svítí furt bez ohledu na polohu přepínače.
Je super, že jsi to vyřešil, ...taky nad tím uvažuju. Hlavně pro jízdu v noci bych to "vylepšil" přidáním jednoduchého vypínače (on x off) mezi modrým a zeleným vodičem, tím by v poloze off vše fungovalo předpisově.
Re: Rozsvíceny obě žárovky při dálkovém světle tenere
Jo, jo, proč ne. Já nechtěl nic navíc přidělávat.12.Bert píše:RadekK napsal:
Abych tedy dosáhl kýženého efektu, bylo v mém případě (XT660Z, DM02/E, r.v.2010) nezbytné propojit kontakty přepínače světel (v pohledu na fotografii): střední s modrým vodičem (na který je přiváděno napětí) s pravým se zeleným vodičem (přívod pro "potkávací" H7). Tak je dosaženo toho, že žárovka potkávaček je napájena neustále a tedy svítí furt bez ohledu na polohu přepínače.
Je super, že jsi to vyřešil, ...taky nad tím uvažuju. Hlavně pro jízdu v noci bych to "vylepšil" přidáním jednoduchého vypínače (on x off) mezi modrým a zeleným vodičem, tím by v poloze off vše fungovalo předpisově.
Co však nemám "dořešeno" - jak je to s vyhláškou. Jsem přesvědčen, že ty světla mají fungovat tak, jak to udělal výrobce, jak je motorka schválena k provozu. Od kohosi jsem však slyšel, že dle nějakého předpisu, vyhlášky, ..., nesmí obě světla svítit zároveň. Ten předpis neznám, určitě to neplatí obecně. Je zde někdo kovanej ?
Re: Rozsvíceny obě žárovky při dálkovém světle tenere
RadkuK, přehlédl jsem to podstatné, že se bude dálkové světlo po přepnutí na dálkové světlo připojovat k potkávacímu, pak ten mnou navrhovaný vypínač je zbytečný.
Takový způsob zapojení světel mají mnohé sportovní motorky i starší auta, co mají oddělené paraboly potkávacích a dálkových světel, takže by to nemuselo být v rozporu s předpisy. Nadruhou stranu základní vyhláška o schvalování technické způsobilosti a o technických podmínkách provozu vozidel na pozemních komunikacích zakazuje zásah do elekroinstalace.
Takový způsob zapojení světel mají mnohé sportovní motorky i starší auta, co mají oddělené paraboly potkávacích a dálkových světel, takže by to nemuselo být v rozporu s předpisy. Nadruhou stranu základní vyhláška o schvalování technické způsobilosti a o technických podmínkách provozu vozidel na pozemních komunikacích zakazuje zásah do elekroinstalace.
Re: Rozsvíceny obě žárovky při dálkovém světle tenere
hosi to vubec nereste...za normal sviti jen tlumené, v noci ( a kolik se toho najezdi v noci??) svití dálka s tlumenýma coz z dalky stejne neni videt (jako ze sviti k te dalce i tlumené) na toz aby te cajti nekde za tmy staveli, a i kdy by tak na toho si stejne nevsimnou...STK je jiná ale v olomouci se toho zatim nebojim, navic eventuelni navrat k originalu je velmi jednoduchy i za rohem stk ( sroubovak a male stipacky na precvaknuti klemy )

Re: Rozsvíceny obě žárovky při dálkovém světle tenere
Máte nějaké praktické zkušenosti s STK? Prudí kvůli této úpravě?
- Carlos Checa
- Příspěvky: 123
- Registrován: pát 01. říj 2010 10:06:53
- Bydliště: skoro Rakovník
Re: Rozsvíceny obě žárovky při dálkovém světle tenere
Zajímavý téma, já to řeším světelnou houkačkou ! Ta totiž rozsvěcí dálkový světlo ! Možná to tady někdo psal, nečetl jsem to komplet! Mimochodem tak mi to svítí i na profilovce 
Kdo je online
Uživatelé prohlížející si toto fórum: Žádní registrovaní uživatelé a 38 hostů